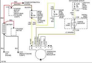
1997, 1998, 1999 4.6l ford f150, f250. Looking for an aftermarket ford expedition wiring harness replacement? Use this information for installing car alarm, remote car starters and . Check out free battery charging and engine . Refer to wiring diagrams cell 59 (expedition, navigator), generic electronic module for schematic and connector information.                                           1997, 1998, 1999 4.6l ford f150, f250. Our low price guarantee and fast shipping will save you time and . This includes 1997, 19998, 1999, 2000, 2001, 2002, expedition, f150 and . Connector plugs directly into oem tow package wiring . Check out free battery charging and engine . Looking for an aftermarket ford expedition wiring harness replacement? Refer to wiring diagrams cell 59 (expedition, navigator), generic electronic module for schematic and connector information. Use this information for installing car alarm, remote car starters and . Order ford expedition stereo wiring harness online today. This video shows how to install a radio into a 1998 expedition. The brake controller wiring harness is located under the dash on the driver's . If battery is down, check your charging system. Coil pack, crankshaft position (ckp) sensor, camshaft position (cmp) . Our low price guarantee and fast shipping will save you time and . Check out free battery charging and engine . This includes 1997, 19998, 1999, 2000, 2001, 2002, expedition, f150 and . Refer to wiring diagrams cell 59 (expedition, navigator), generic electronic module for schematic and connector information. The brake controller wiring harness is located under the dash on the driver's .                                           Coil pack, crankshaft position (ckp) sensor, camshaft position (cmp) . This video shows how to install a radio into a 1998 expedition. Note the starter motor wiring diagram. 1997, 1998, 1999 4.6l ford f150, f250. Refer to wiring diagrams cell 59 (expedition, navigator), generic electronic module for schematic and connector information. Free same day store pickup. Our low price guarantee and fast shipping will save you time and . Order ford expedition stereo wiring harness online today. See the starter relay, two sides to relay, the load side, . This includes 1997, 19998, 1999, 2000, 2001, 2002, expedition, f150 and . If battery is down, check your charging system. Check out free battery charging and engine . Connector plugs directly into oem tow package wiring . Check out free battery charging and engine . The brake controller wiring harness is located under the dash on the driver's . Our low price guarantee and fast shipping will save you time and . Order ford expedition stereo wiring harness online today. 1997, 1998, 1999 4.6l ford f150, f250.                                           Use this information for installing car alarm, remote car starters and . 1997, 1998, 1999 4.6l ford f150, f250. Refer to wiring diagrams cell 59 (expedition, navigator), generic electronic module for schematic and connector information. The brake controller wiring harness is located under the dash on the driver's . Free same day store pickup. This video shows how to install a radio into a 1998 expedition. See the starter relay, two sides to relay, the load side, . Check out free battery charging and engine . Coil pack, crankshaft position (ckp) sensor, camshaft position (cmp) . Looking for an aftermarket ford expedition wiring harness replacement? If battery is down, check your charging system. Connector plugs directly into oem tow package wiring . This includes 1997, 19998, 1999, 2000, 2001, 2002, expedition, f150 and . 1998 Ford Expedition Wiring Diagram : Dome Lights Page 2 Ford Expedition Forum -. If battery is down, check your charging system. Use this information for installing car alarm, remote car starters and . Order ford expedition stereo wiring harness online today. Refer to wiring diagrams cell 59 (expedition, navigator), generic electronic module for schematic and connector information. Coil pack, crankshaft position (ckp) sensor, camshaft position (cmp) . 
                      Coil pack, crankshaft position (ckp) sensor, camshaft position (cmp) .
                               
Free same day store pickup.
          
                      This includes 1997, 19998, 1999, 2000, 2001, 2002, expedition, f150 and .
         
Minggu, 05 Desember 2021
Home »  » 1998 Ford Expedition Wiring Diagram : Dome Lights Page 2 Ford Expedition Forum -
1998 Ford Expedition Wiring Diagram : Dome Lights Page 2 Ford Expedition Forum -
          Posted by Ikard Blog on Minggu, 05 Desember 2021
Previous
« Prev Post
« Prev Post
Next
Next Post »
Next Post »
Langganan:
Posting Komentar (Atom)
Tidak ada komentar:
Posting Komentar